Page 6 - 威海市文登区界石镇2021年度政府信息公开工作报告
P. 6
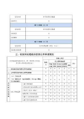
信息内容 本年处理决定数量
行政许可 0
第二十条第(六)项
信息内容 本年处理决定数量
行政处罚 0
行政强制 0
第二十条第(八)项
信息内容 本年收费金额(单位:万元)
行政事业性收费 0
三、收到和处理政府信息公开申请情况
申请人情况
(本列数据的勾稽关系为:第一项加第二项之和, 法人或其他组织
自然
等于第三项加第四项之和) 总计
人 商业 科研 社会公 法律服 其他
企业 机构 益组织 务机构
0 0 0 0 0 0 0
一、本年新收政府信息公开申请数量
0 0 0 0 0 0 0
二、上年结转政府信息公开申请数量
0 0 0 0 0 0 0
(一)予以公开
三 (二)部分公开(区分处理的,只计这一情形, 0 0 0 0 0 0 0
、 不计其他情形)
本 0 0
1.属于国家秘密 0 0 0 0 0
年
度 2.其他法律行政法规禁止公开 0 0 0 0 0 0 0
办 3.危及“三安全一稳定” 0 0 0 0 0 0 0
理 (三)不予公开 0 0
结 4.保护第三方合法权益 0 0 0 0 0
果 5.属于三类内部事务信息 0 0 0 0 0 0 0
0 0
6.属于四类过程性信息 0 0 0 0 0

